Tabela de conteúdos
Procedimento de Testes da Placa A do Conflex
Esta página tem como objetivo ajudá-lo a executar os testes da placa A do Conflex, registrando os resultados destes.
Link: Assista ao vídeo de orientações antes de iniciar a utilização.Manual
O Que Você Precisa
- Monitor com resolução obrigatória igual ou superior a 1280×720
- Teclado e mouse USB
- Jiga de testes + cabo de força
- Etiquetas de Número de Série …
- Acesso a internet
O Que Será Testado
- Fontes
- Serial Interna e Externa
- Display
- IOs
- Relógio/Bateria
- Memórias
Saiba que: Será carregado em memória o firmware de teste de hardware, ficando a critério da agst a escolha do firmware de produção a ser instalado .
Antes de Iniciar
- Para iniciar os testes o operador deve garantir que o cabo de força da Jiga esteja devidamente conectada a uma tomada 220V;
Importante: Não ligue a Jiga em 127V, O ventilador é 220V.
- O local deve ter acesso a internet através do Wifi que estará previamente configurado pela equipe da AGST, não sendo disponível para o operador a alteração destas configurações. Caso preferir pode ser conectado a rede cabeada não sendo necessário qualquer configuração adicional;
- Os cabos do teclado e mouse devem estar conectados nas portas USB que não estão bloqueadas (tampadas);
- A tampa superior deve estar aberta e sem placa para testar;
- Faça uma inspeção visual nos pinos de testes para garantir que todos estão operacionais. Periodicamente pode ser necessário ser feita substituições devido a desgastes. Não coloque os dedos nos pinos de testes pois além de risco de choque estará sujando os contatos.
Saiba que: O acesso a internet deve estar disponível durante todo o teste. Estará sendo avaliado a elaboração de um modelo de redundância para os registros que permita executar os testes offline.
Uma vez observado todos os pontos citados anteriormente pode ser ligada a Jiga através do botão frontal e aguardar que seja apresentado no monitor que a Jiga está pronta para iniciar os testes.
Aviso: Nunca ligue a Jiga com a tampa abaixada, com uma placa de painel já inserida ou sem monitor devidamente conectado na saída de vídeo e energizado.
Passo 1 - Inserindo a Placa
O operador deve inserir os adesivos de número de série da placa na posição X e observar se estão bem impressos e limpos.
Saiba que: Para maiores informações quanto a inserção do adesivo de número de série consultar o documento de instrução técnica da placa.
Passo 2 - Iniciando o Teste
Feche a tampa da Jiga observando se não há nada obstruindo, pressionando para baixo até o click, sendo ilustrado a leitura do fechamento pelo surgimento dos componentes nas placas. Será iniciado os testes começando pelo teste de fonte. No monitor será possível acompanhar a evolução dos testes quando iniciado os testes até que ocorra ao menos uma falha ou seja concluído os testes por completo.
Passo 3 - Registro
Durante o teste será exibido na interface o status final do teste. O defeitos serão reportados em uma lista no campo de texto inferior. Sempre que uma placa apresentar problema, será necessário atuar para corrigir este e refazer os testes.
Nesta etapa também foi executado os registros, sejam dos testes bem sucedidos ou não, na base de dados da AGST e já se pode abrir a tampa e retirar o painel testado.
Saiba que: O relatório de defeitos estará disponível ao termino dos testes e no Link
Não havendo mais placas a testar já se pode desligar a Jiga sempre clicando com o mouse em “desligar” e só após 30 segundos desligar no botão frontal.
Importante: Nunca desligar a Jiga direto no botão frontal sem antes solicitar o desligamento via interface, isso pode causar danos permanentes na Jiga.
Jiga
Caso o operador entenda que a Jiga apresenta algum defeito, deverá entrar em contato imediatamente com a equipe de suporte da AGST que poderá dar o devido suporte e/ou executar a manutenção. Nunca abra o gabinete da Jiga sem autorização ou acompanhamento da equipe de suporte da AGST. Sempre verifique previamente o estado dos fusíveis através das luzes frontais no gabinete (interna ao botão de ligar). O fusível F1 danificado indica que houve uma sobre corrente na entrada da alimentação da Jiga e o operador pode proceder com a troca deste com o valor indicado no adesivo próximo a ele. O operador pode trocar o fusível mas também precisa verificar a placa em busca de curtos neste circuito.
Interface
A interface da Jiga, disponível no monitor, permiterá o acompanhamento e relatório dos testes e tem esta disposição:
* RESULTADO ARMAZENADO EM MONGODB DURANTE A EXECUÇÃO DOS TESTES.
#_id 66c5fda72d21e39f067f5b83 (ID DO REGISTRO NO B.D. MONGO_DB)
#DATA 1724251550 (DATA E HORA INICIO DO TESTE)
#NS 102235 (NS DA PLACA COLETADO PELA USB CAM 2)
#3V_BAT "('OK', '3.27V')" (TENSÃO DA BATERIA DO DS1302)
#3V_CPU "('OK', '3.28V')" (TENSÃO 3V3 ALIMENTAÇÃO DA CPU)
#5V_CPU "('OK', '4.94V')" (TESNSÃO 5V ALIMENTAÇÃO DA CPU)
#12V_CPU "('OK', '12.41V')" (TENSÃO 12V ALIMENTAÇÃO DA CPU)
#12V_IOS "('OK', '12.29V')" (TENSÃO 12V ISOLADA ALIMENTAÇÃO DA IO)
#5V_GIGA "('OK', '4.97V')" (TENSÃO 5V ALIMENTAÇÃO FONTA DA GIGA)
#12V_BIAS "('OK', '12.17V')" (TENSÃO 12V ALIMENTAÇÃO DO DPA)
#FULLLOAD20V "{'OK'}" (TESTE DE CARGA COM FONTE DE ALIMENTAÇÃO EM 20V)
#FULLLOAD24V "{'OK'}" (TESTE DE CARGA COM FONTE DE ALIMENTAÇÃO EM 24V)
#FULLLOAD48V "{'OK'}" (TESTE DE CARGA COM FONTE DE ALIMENTAÇÃO EM 48V)
#FULLLOAD60V "{'OK'}" (TESTE DE CARGA COM FONTE DE ALIMENTAÇÃO EM 60V)
#OVER_SHUNT "('OK', '0.99A')" (TESTE DO LIMITE MAX DE CORRENTE NÃO EXCEDEU 0,99A EM NENHUM MOMENTO)
#POWEREVERSE "{'OK'}" (TESTE DA REVERSÃO DA FONTE CC '+/- PARA -/+)
#POWERUP20V "{'OK'}" (TESTE DE PARTIDA DA FONTE COM 20V)
#POWERUP24V "{'OK'}" (TESTE DE PARTIDA DA FONTE COM 24V)
#POWERUP48V "{'OK'}" (TESTE DE PARTIDA DA FONTE COM 48V)
#POWERUP60V "{'OK'}" (TESTE DE PARTIDA DA FONTE COM 60V)
#BLANKCB "DIRTY" (REGISTRA SE OS CONFIGURATION BITS DO PIC24FJ256GB110 ESTÃO LIMPOS)
#FIRMWMENS "-" (REGISTRA SE FIRMWARE DE MENSAGENS FOI INSTALADO)
#FIRMWPROD "-" (REGISTRA SE FIRMWARE DE PRODUÇÃO FOI INSTALADO)
#FIRMWTEST "OK" (VERIFICA SE FIRMWARE DE TESTE FOI INSTALADO)
#PEFIRMW "WITH" (REGISTRA SE PROGRAMMER EXECUTIVE ESTÁVA PREVIAMENTE INSTALADO)
#PICBLANK "DIRTY" (REGISTRA SE O PIC PIC24FJ256GB110 ESTÁ LIMPO)
#PICHECK "OK" (VERIFICA A PRESENÇA DO PIC PIC24FJ256GB110 NA PLACA)
#PICID "4127" (REGISTRA O ID DO PIC PIC24FJ256GB110)
#PICREV "4" (REGISTRA A REVISÃO DO PIC PIC24FJ256GB110)
#UART_TTL "{'OK'}" (TESTE DA UART EXTERNA DA CPU CONFLEX 'UART' DA PLACA 'C')
#UART_RS485 "{'OK'}" (TESTE DA UART RS485 INTERNA 'RS485 DOS MÓDULOS IO' "IRCOM" E "VERSA")
#COM_RELES "{'OK'}" (TESTE DO PORT COM_RELES DAS CPU 'WATCHDOG EXTERNO' DAS SDS)
#LED_AMARELO_EXT "{'OK'}" (TESTE DO PORT DE CONTROLE DO LED TX DA UART EXTERNA DA CPU)
#LED_AMARELO_INT"{'OK'}" (TESTE DO PORT DE CONTROLE DO LED TX DA UART INTERNA DA CPU)
#LED_BRANCO "{'OK'}" (TESTE DO PORT DE CONTROLE DO LED BRANCO 'RUN' DA CPU)
#LED_VERDE_EXT "{'OK'}" (TESTE DO PORT DE CONTROLE DO LED RX DA UART EXTERNA DA CPU)
#LED_VERDE_INT "{'OK'}" (TESTE DO PORT DE CONTROLE DO LED RX DA UART INTERNA DA CPU)
#LED_VERMELHO "{'OK'}" (TESTE DO PORT DE CONTROLE DO LED VERMELHO 'ALARME' DA CPU)
#RST_TIBBO "{'OK'}" (TESTE DO PORT DE CONTROLE RST_TIBBO)
#CTS_PIC "{'OK'}" (TESTE DO PORT DE CONTROLE CTS_PIC)
#TECLA_DIR "{'OK'}" (TESTE DA ENTRADA DA TECLA DIR)
#TECLA_DOWN "{'OK'}" (TESTE DA ENTRADA DA TECLA DOWN)
#TECLA_ESC "{'OK'}" (TESTE DA ENTRADA DA TECLA ESC)
#TECLA_OK "{'OK'}" (TESTE DA ENTRADA DA TECLA OK)
#TECLA_UP "{'OK'}" (TESTE DA ENTRADA DA TECLA UP)
#DEBUG_EN "{'OK'}" (TESTE DO PORT DE CONTROLE DEBUG_EN)
#INT_ED "{'OK'}" (TESTE DO PORT DE CONTROLE PWM INT_ED)
#INT_SD "{'OK'}" (TESTE DO PORT DE CONTROLE PWM INT_SD)
#MD_TIBBO "{'OK'}" (TESTE DO PORT DE CONTROLE MD_TIBBO)
#RTS_PIC "{'OK'}" (TESTE DO PORT DE CONTROLE RTS_PIC)
#RX_DEBUG "{'OK'}" (TESTE DO PORT DE CONTROLE RX_DEBUG)
#TIBBO_EN "{'OK'}" (TESTE DO PORT DE CONTROLE TIBBO_EN)
#TIBBO_OK "{'OK'}" (TESTE DO PORT DE CONTROLE TIBBO_OK)
#TX_DEBUG "{'OK'}" (TESTE DO PORT DE CONTROLE TX_DEBUG)
#EA01 "{'OK'}" (TESTE DA ENTRADA ANALÓGICA EA01)
#EA02 "{'OK'}" (TESTE DA ENTRADA ANALÓGICA EA02)
#EA03 "{'OK'}" (TESTE DA ENTRADA ANALÓGICA EA03)
#EA04 "{'OK'}" (TESTE DA ENTRADA ANALÓGICA EA04)
#EA05 "{'OK'}" (TESTE DA ENTRADA ANALÓGICA EA05)
#EA06 "{'OK'}" (TESTE DA ENTRADA ANALÓGICA EA06)
#BUZZER "{'OK'}" (TESTE DO SONOALARME)
#CLOCK "{'OK'}" (TESTE DO RELÓGIO DS1302)
#I2CPU "{'OK'}" (TESTE DA I2C DA CPU QUE CONTROLA OS IOS EXPANDERS)
#FLASH "{'OK'}" (TESTE CONFIRMA SE A FLASH SST25VF040B ESTÁ FUNCIONANDO)
#FLASHBLANK "{'OK'}" (TESTE CONFIRMA SE A FLASH ESTÁ LIMPA "CASO SUJA SERÁ TOTALMENTE LIMPA")
#EEPROM "{'OK'}" (TESTE CONFIRMA SE A EEPROM 24LC64 ESTÁ FUNCIONANDO)
#EEPROMBLANK "{'OK'}" (TESTE CONFIRMA SE A EEPROM 24LC64 ESTÁ LIMPA "CASO SUJA SERÁ TOTALMENTE LIMPA")
#BACKLIGHT "{'OK'}" (TESTE CONFIRMA SE O BACKLIGH DO DISPLAY ESTÁ FUNCIONAL)
#DISPLAY "{'OK'}" (TESTE CONFIRMA SE O DISPLAY ESTÁ RECEBEBNDO CARACTERES ADEQUADAMENTE)
#DATAEND 1724251937 (DATA E HORA FIM DO TESTE)
Solução de Problemas
Quando for reportado defeitos o operador deverá avaliar cada caso de acordo com o listado.
Internet - [ Falha de Acesso a Internet ]
- Sem sinal Wifi
- Utilizando outro dispositivo, como um celular, verifique se o sinal do wifi configurado na Jiga, está presente e é possível de se conectar; se não foi trocado o SSID ou a senha; Verifique junto ao seu TI se foi alterado
SSID:Global Eletronics - Manufatura Senha:G——–6desde a data 24/08/2020.
- Sem acesso a internet
- Utilizando outro dispositivo, como um celular, conecte-se a mesmo wifi e tente acessar um site qualquer.
- Sem acesso aos servidores da AGST
- Utilizando outro dispositivo, como um celular, conecte-se a mesmo wifi e execute um ping no endereço
http://intranet.agst.com.br
NS - [ Adesivo de Número de Série ]
- Adesivo de NS (número de série) não foi gerado corretamente
- Valide se o NS não foi gerado manualmente, os adesivos de NS devem ser gerados pela AGST usando uma ferramenta para geração automática sequencial;
- Adesivo de NS (número de série) não esta devidamente colado em uma ou mais placas
- Verifique se o adesivo está colado no local correto, bem impresso e limpo;
- Adesivo de NS (número de série) defeituoso
- Verifique se é possível ler o adesivo de NS (número de série) a partir de outros dispositivo como um celular;
- Câmeras de inspeção da Jiga defeituosa
- Verifique se os leds da câmera da jiga esta ligado e se não há nada obstruindo o foco interno ao duto, como por exemplo teias de aranha;
- Verifique visualmente se a câmera esta com a mesma intensidade luminosa;
- Uma ou mais câmeras não esta presente no SO (sistema operacional) (tty0,2,4,6).
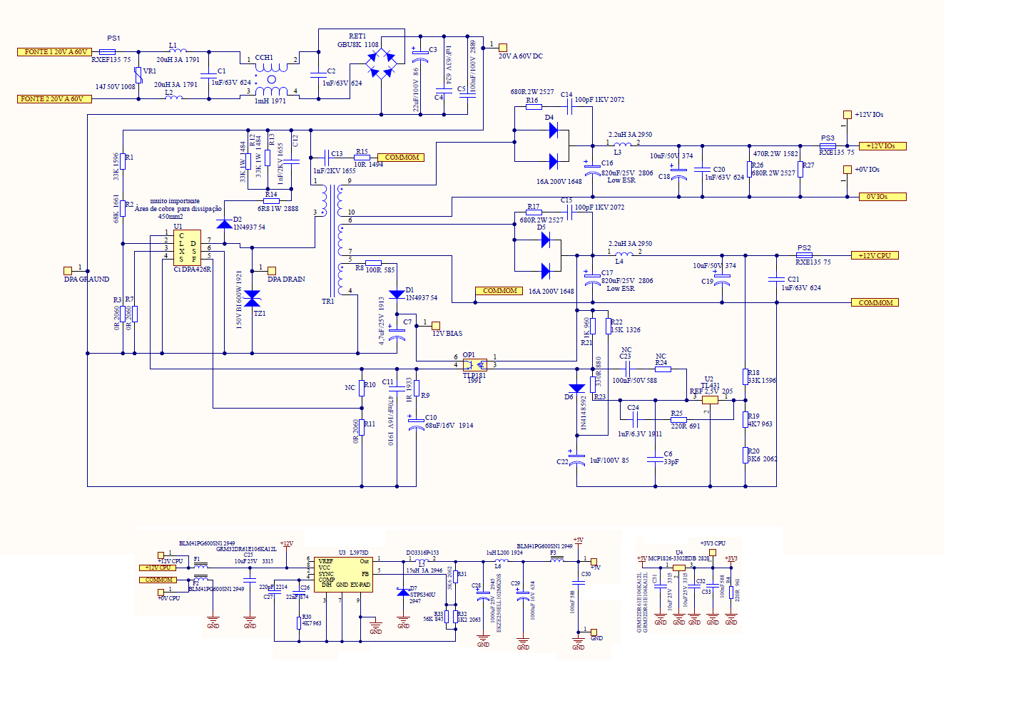
TESTE DA FONTE - [ Fonte de Alimentação ]
- No teste da Fonte serão testados:
TENSÃO DA BATERIA DO DS1302;
TENSÃO 3V3 ALIMENTAÇÃO DA CPU;
TENSÃO 5V ALIMENTAÇÃO DA CPU;
TENSÃO 12V ALIMENTAÇÃO DA CPU;
TENSÃO 12V ISOLADA ALIMENTAÇÃO DA IO;
TENSÃO 5V ALIMENTAÇÃO DA JIGA;
TENSÃO 12V ALIMENTAÇÃO BIAS DO DPA;
TESTE DE PARTIDA DA FONTE COM 20V;
TESTE DE PARTIDA DA FONTE COM 24V;
TESTE DE PARTIDA DA FONTE COM 48V;
TESTE DE PARTIDA DA FONTE COM 60V;
TESTE DE CARGA COM FONTE DE ALIMENTAÇÃO EM 20V;
TESTE DE CARGA COM FONTE DE ALIMENTAÇÃO EM 24V;
TESTE DE CARGA COM FONTE DE ALIMENTAÇÃO EM 48V;
TESTE DE CARGA COM FONTE DE ALIMENTAÇÃO EM 60V;
TESTE DO LIMITE MAX DE CORRENTE NÃO EXCEDEU 0,99A EM NENHUM MOMENTO;
TESTE DA REVERSÃO DA FONTE CC '+/- PARA -/+ (TESTE DA PONTE RETIFICADORA);
#3V_BAT "('OK', '3.27V')" (TENSÃO DA BATERIA DO DS1302)
#3V_CPU "('OK', '3.28V')" (TENSÃO 3V3 ALIMENTAÇÃO DA CPU)
#5V_CPU "('OK', '4.94V')" (TESNSÃO 5V ALIMENTAÇÃO DA CPU)
#12V_CPU "('OK', '12.41V')" (TENSÃO 12V ALIMENTAÇÃO DA CPU)
#12V_IOS "('OK', '12.29V')" (TENSÃO 12V ISOLADA ALIMENTAÇÃO DA IO)
#5V_GIGA "('OK', '4.97V')" (TENSÃO 5V ALIMENTAÇÃO FONTA DA GIGA)
#12V_BIAS "('OK', '12.17V')" (TENSÃO 12V ALIMENTAÇÃO DO DPA)
#FULLLOAD20V "{'OK'}" (TESTE DE CARGA COM FONTE DE ALIMENTAÇÃO EM 20V)
#FULLLOAD24V "{'OK'}" (TESTE DE CARGA COM FONTE DE ALIMENTAÇÃO EM 24V)
#FULLLOAD48V "{'OK'}" (TESTE DE CARGA COM FONTE DE ALIMENTAÇÃO EM 48V)
#FULLLOAD60V "{'OK'}" (TESTE DE CARGA COM FONTE DE ALIMENTAÇÃO EM 60V)
#OVER_SHUNT "('OK', '0.99A')" (TESTE DO LIMITE MAX DE CORRENTE NÃO EXCEDEU 0,99A EM NENHUM MOMENTO)
#POWEREVERSE "{'OK'}" (TESTE DA REVERSÃO DA FONTE CC '+/- PARA -/+)
#POWERUP20V "{'OK'}" (TESTE DE PARTIDA DA FONTE COM 20V)
#POWERUP24V "{'OK'}" (TESTE DE PARTIDA DA FONTE COM 24V)
#POWERUP48V "{'OK'}" (TESTE DE PARTIDA DA FONTE COM 48V)
#POWERUP60V "{'OK'}" (TESTE DE PARTIDA DA FONTE COM 60V)
TESTE DO MICROCONTROLADOR - [ PIC24FJ256GB110 ]
- Atraves de conexão ICSP:
Verificamos o Id do Microcontrolador
Executamos o BLank Check
Gravamos o Firmware de teste
* Resultado dos Testes:
#BLANKCB "DIRTY" (REGISTRA SE OS CONFIGURATION BITS DO PIC24FJ256GB110 ESTÃO LIMPOS)
#FIRMWMENS "-" (REGISTRA SE FIRMWARE DE MENSAGENS FOI INSTALADO)
#FIRMWPROD "-" (REGISTRA SE FIRMWARE DE PRODUÇÃO FOI INSTALADO)
#FIRMWTEST "OK" (VERIFICA SE FIRMWARE DE TESTE FOI INSTALADO)
#PEFIRMW "WITH" (REGISTRA SE PROGRAMMER EXECUTIVE ESTÁVA PREVIAMENTE INSTALADO)
#PICBLANK "DIRTY" (REGISTRA SE O PIC PIC24FJ256GB110 ESTÁ LIMPO)
#PICHECK "OK" (VERIFICA A PRESENÇA DO PIC PIC24FJ256GB110 NA PLACA)
#PICID "4127" (REGISTRA O ID DO PIC PIC24FJ256GB110)
#PICREV "4" (REGISTRA A REVISÃO DO PIC PIC24FJ256GB110)
TESTE DA UART EXTERNA - [ Porta Serial Externa TTL]
IMAGEM DO CIRCUITO
* Resultado dos Testes:
#UART_TTL "{'OK'}" (TESTE DA UART EXTERNA DA CPU CONFLEX 'UART' DA PLACA 'C')
TESTE DA UART INTERNA - [ Porta Serial Interna RS-485 ]
IMAGEM DO CIRCUITO
* Resultado dos Testes:
#UART_RS485 "{'OK'}" (TESTE DA UART RS485 INTERNA 'RS485 DOS MÓDULOS IO' "IRCOM" E "VERSA")
TESTE IOs OUTPUTS - [ IOs de Saida ]
- Serão testados os IOs:
COMUM_DO_RELES
RST_TIBBO
LED_BRANCO
LED_VERMELHO
LED_VERDE_INT
LED_AMARELO_INT
LED_VERDE_EXT
LED_AMARELO_EXT
* Resultado dos Testes:
#COM_RELES "{'OK'}" (TESTE DO PORT COM_RELES DAS CPU 'WATCHDOG EXTERNO' DAS SDS)
#LED_AMARELO_EXT "{'OK'}" (TESTE DO PORT DE CONTROLE DO LED TX DA UART EXTERNA DA CPU)
#LED_AMARELO_INT"{'OK'}" (TESTE DO PORT DE CONTROLE DO LED TX DA UART INTERNA DA CPU)
#LED_BRANCO "{'OK'}" (TESTE DO PORT DE CONTROLE DO LED BRANCO 'RUN' DA CPU)
#LED_VERDE_EXT "{'OK'}" (TESTE DO PORT DE CONTROLE DO LED RX DA UART EXTERNA DA CPU)
#LED_VERDE_INT "{'OK'}" (TESTE DO PORT DE CONTROLE DO LED RX DA UART INTERNA DA CPU)
#LED_VERMELHO "{'OK'}" (TESTE DO PORT DE CONTROLE DO LED VERMELHO 'ALARME' DA CPU)
#RST_TIBBO "{'OK'}" (TESTE DO PORT DE CONTROLE RST_TIBBO)
TESTE IOs INPUTS - [IOs de Entrada ]
- Serão testados os IOs:
TECLA_UP TECLA_DOWN TECLA_ESC TECLA_DIR TECLA_OK CTS_PIC
IMAGEM DO CIRCUITO
* Resultado dos Testes:
#CTS_PIC "{'OK'}" (TESTE DO PORT DE CONTROLE CTS_PIC)
#TECLA_DIR "{'OK'}" (TESTE DA ENTRADA DA TECLA DIR)
#TECLA_DOWN "{'OK'}" (TESTE DA ENTRADA DA TECLA DOWN)
#TECLA_ESC "{'OK'}" (TESTE DA ENTRADA DA TECLA ESC)
#TECLA_OK "{'OK'}" (TESTE DA ENTRADA DA TECLA OK)
#TECLA_UP "{'OK'}" (TESTE DA ENTRADA DA TECLA UP)
TESTE INOUT IOS - IOs Bidirecionais
IMAGEM DO CIRCUITO
- Serão testados os IOs Bidirecionais:
MD_TIBBO
TIBBO_OK
TIBBO_EN
TX_DEBUG
RX_DEBUG
DEBUG_EN
RTS_PIC
INT_ED
INT_SD
* Resultado dos Testes:
#DEBUG_EN "{'OK'}" (TESTE DO PORT DE CONTROLE DEBUG_EN)
#INT_ED "{'OK'}" (TESTE DO PORT DE CONTROLE PWM INT_ED)
#INT_SD "{'OK'}" (TESTE DO PORT DE CONTROLE PWM INT_SD)
#MD_TIBBO "{'OK'}" (TESTE DO PORT DE CONTROLE MD_TIBBO)
#RTS_PIC "{'OK'}" (TESTE DO PORT DE CONTROLE RTS_PIC)
#RX_DEBUG "{'OK'}" (TESTE DO PORT DE CONTROLE RX_DEBUG)
#TIBBO_EN "{'OK'}" (TESTE DO PORT DE CONTROLE TIBBO_EN)
#TIBBO_OK "{'OK'}" (TESTE DO PORT DE CONTROLE TIBBO_OK)
#TX_DEBUG "{'OK'}" (TESTE DO PORT DE CONTROLE TX_DEBUG)
TESTE ANALOG - [ Entradas Analógicas ]
IMAGEM DO CIRCUITO
- Serão Testadas as entradas analógicas e os resistores de Loop de corrente:
EA01
EA02
EA03
EA04
EA05
EA06
* Resultados dos Testes:
#EA01 "{'OK'}" (TESTE DA ENTRADA ANALÓGICA EA01)
#EA02 "{'OK'}" (TESTE DA ENTRADA ANALÓGICA EA02)
#EA03 "{'OK'}" (TESTE DA ENTRADA ANALÓGICA EA03)
#EA04 "{'OK'}" (TESTE DA ENTRADA ANALÓGICA EA04)
#EA05 "{'OK'}" (TESTE DA ENTRADA ANALÓGICA EA05)
#EA06 "{'OK'}" (TESTE DA ENTRADA ANALÓGICA EA06)
TESTE DO BUZZER - [ Sonalarme ]
CLOCK - [ Teste do Relógio ]
TESTE DA I2CPU - [ I2C DAS IOs ]
IMAGEM DO CIRCUITO
* Resultado dos Testes:
#I2CPU "{'OK'}" (TESTE DA I2C DA CPU QUE CONTROLA OS IOS EXPANDERS)
TESTE DA FLASH - [ Memoria Flash Externa SST25VF040B]
IMAGEM DO CIRCUITO
* Resultado dos Testes:
#FLASH "{'OK'}" (TESTE CONFIRMA SE A FLASH SST25VF040B ESTÁ FUNCIONANDO)
#FLASHBLANK "{'OK'}" (TESTE CONFIRMA SE A FLASH SST25VF040 ESTÁ LIMPA "CASO SUJA SERÁ TOTALMENTE LIMPA")
TESTE DA EEPROM - [ Memoria EEPROM 24LC64 ]
IMAGEM DO CIRCUITO
* Resultado dos Testes:
#EEPROM "{'OK'}" (TESTE CONFIRMA SE A EEPROM 24LC64 ESTÁ FUNCIONANDO)
#EEPROMBLANK "{'OK'}" (TESTE CONFIRMA SE A EEPROM 24LC64 ESTÁ LIMPA "CASO SUJA SERÁ TOTALMENTE LIMPA")
LCD - [ Display ]
IMAGEM DO CIRCUITO
* Resultado dos Testes:
#BACKLIGHT "{'OK'}" (TESTE CONFIRMA SE O BACKLIGH DO DISPLAY ESTÁ FUNCIONAL)
#DISPLAY "{'OK'}" (TESTE CONFIRMA SE O DISPLAY ESTÁ RECEBEBNDO CARACTERES ADEQUADAMENTE)


































